| 首 页 | 公司简介 | 新闻中心 | 产品集锦 |  产品目录 | 产品知识 | 联系方法 | 网上订单 | 电子邮局 | 
 
其它管接件
● 等径直角螺纹接头
代号(订货号)
公称通径(DN)
d(Rc)(R)
L
H1
H2
H3
重量(kg)
对应号
ZT6.5.34-1
6
1/8
16
30
14
22
0.03
H1.7-1
ZT6.5.34-2
8
1/4
22
41
19
30
0.07
H1.7-2
ZT6.5.34-3
10
3/8
24
46
22
34
0.11
H1.7-3
ZT6.5.34-4
15
1/2
30
55
25
40
0.17
H1.7-4
ZT6.5.34-5
20
3/4
32
60
32
44
0.23
H1.7-5
ZT6.5.34-6
25
1
40
72
40
52
0.32
H1.7-6
  标记示例:直角接头6 ZT6.5.34-1
● 等径直角螺纹长接头
代号(订货号)
公称通径(DN)
d(Rc)(R)
L
H1
H2
H3
重量(kg)
对应号
ZT6.5.35-1
6
1/8
16
73
57
65
0.28
H1.8-1
ZT6.5.35-2
8
1/4
22
83
61
72
0.30
H1.8-2
ZT6.5.35-3
10
3/8
24
91
67
79
0.33
H1.8-3
ZT6.5.35-4
15
1/2
30
98
68
83
0.38
H1.8-4
ZT6.5.35-5
20
3/4
32
103
71
87
0.44
H1.8-5
  标记示例:直角长接头6 ZT6.5.35-1
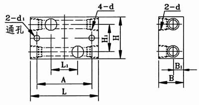
● 双通衬板
代号(订货号)
公称通径
(DN)
d(Rc)
L
B
H
A
L1
B1
H1
D1
重量
(kg)
安全螺栓
(推荐)
对应号
ZT6.5.42-1
8
1/4
102
38
68
84
40
16
42
8.5
1.92
M8×60
H1.9-1
ZT6.5.42-2
10
3/8
70
1.93
H1.9-2
ZT6.5.42-3
15
1/2
150
50
98
110
50
20
60
12.5
5.84
M12×80
H1.9-3
ZT6.5.42-4
20
3/4
160
54
114
130
26
70
6.21
M12×90
H1.9-4
  标记示例:双通衬板 8 ZT6.5.42-1
● 直角法兰
代号(订货号)
公称通径
(DN)
d(Rc)
L1
L2
B1
B2
H1
H2
H3
D
重量(kg)
对应号
ZT6.5.43-1
6
1/8
40
10
24
9
40
20
10
9
0.18
H1.11-1
ZT6.5.43-2
8
1/4
44
11
28
11
44
24
13
0.30
H1.11-2
ZT6.5.43-3
10
3/8
60
14
36
16
60
35
20
0.81
H1.11-3
ZT6.5.43-4
15
1/2
65
15
40
20
65
40
1.73
H1.11-4
ZT6.5.43-5
20
3/4
66
21
53
21
90
48
27
2.14
H1.11-5
  标记示例:直角法兰6 ZT6.5.43-1
Copyright © 2012 南通启动润滑设备有限公司 地址:启东经济开发区灵峰路698号
电话:0513-83209668 传真:0513-83308989 网址:www.ntqdrh.com E-mail:qd@ntqdrh.com