| 首 页 | 公司简介 | 新闻中心 | 产品集锦 |  产品目录 | 产品知识 | 联系方法 | 网上订单 | 电子邮局 | 
 
YXQ型油流发讯器(0.4MPa)JB/ZQ4596-97

一、使用条件


  YXQ型油流发讯器用于稀油润滑系统。通过它可直观地观察到油流流动状况并可通过其发讯装置发出油量不足或断流信号,从而实现远距离监视或控制,适用介质为粘度等级N22~N460的润滑油。
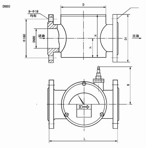
  通径DN10~50为螺纹连接,DN80为法兰连接。公称压力为0.4MPa
二、技术参数
型号
公称通径
DN
公称压力
MPa
连接螺纹
d
L
D
H
h
B
D1
S
重量
kg
YXQ-10
10
0.4
G3/8"
136
80
71
30
75
47.3
41
2.1
YXQ-15
15
0.4
G1/2"
136
80
71
30
75
47.3
41
2.1
YXQ-20
20
0.4
G3/4"
136
80
71
30
75
52
47
3.5
YXQ-25
25
0.4
G1"
160
100
96
35
85
60
52
3.8
YXQ-32
32
0.4
G1 1/4"
160
100
101
40
85
66
58
4.2
YXQ-40
40
0.4
G1 1/2"
190
110
101
45
90
76
66
4.5
YXQ-50
50
0.4
G2"
200
110
112
50
90
92
80
4.8
YXQ-80
80
0.4
法兰DN80
200
170
190
80
~140
Φ200
Φ200
~9.8
三、外形尺寸
四、型号说明
五、电气参数
通径
参数
DN10~50、80
开关型式
交流二线制90~250V
直流二线制10~30V
直流三线制6~30V(NPN型)
直流三线制6~30V(PNP型)
应用场合
带动交流线圈、交流信号灯等
带动直流线圈、直流信号灯等
输入PLC(输入模块为NPN型)
输入PLC(输入模块为PNP型)
输出形式
常开
常开
常开
常开
输出电流
3~100mA
5~40mA
0~200mA
0~200mA
漏电流
1r≤2mA
1r≤0.8mA
1r≤0.4mA
1r≤0.4mA
开关压降
Ud≤3V
Ud≤3V
Ud≤0.1Vcc
Ud≤0.1Vcc
接线图
六、使用注意事项
  1、油流方向与油流发讯器指示方向应相同。
  2、开关必须通过负载后再接至电源,以免造成开关损坏。
  3、输出形式如需常闭或输出电流有特殊要求在订货时应注明;若不注明接近开关型式,则配置PNP型直流三线型。
Copyright © 2012 南通启动润滑设备有限公司 地址:启东经济开发区灵峰路698号
电话:0513-83209668 传真:0513-83308989 网址:www.ntqdrh.com E-mail:qd@ntqdrh.com