|
| |
LQ系列列管式冷却器(1.0~1.6MPa) |
一、使用条件
与GLLQ型列管式冷却器相似,产品适用于冶金、矿山、轻工、电力、化工等工业部门的液压与润滑装置,将热工作油冷却到要求的温度;冷却器的设计最高温度为100℃~120℃,工作压力≤1.6MPa,传热系数为348~407w/m2.k,(若采用翅片管换热,则传热系数为523~580W/m2·k,但允许介质粘度为10~50cSt)。下面列出的LQ型冷却器则规定介质粘度为10~326cSt,主要技术参数如下表: |
| 二、型号含义 |
|
| 三、技术参数 |
型号 |
2LQFW\2LQFL |
2LQF1W |
2LQGW |
换热面积m2 |
0.5~16 |
19~290 |
0.22~11.45 |
传热系数w/m2.k |
348~407 |
使用温度℃ |
≤100 |
≤120 |
工作介质压力MPa |
≤1.6 |
≤1.0 |
≤1.6 |
冷却介质压力MPa |
≤0.8 |
≤0.5 |
≤1.0 |
油侧压力降MPa |
≤0.1 |
介质粘度cSt |
10~326 |
|
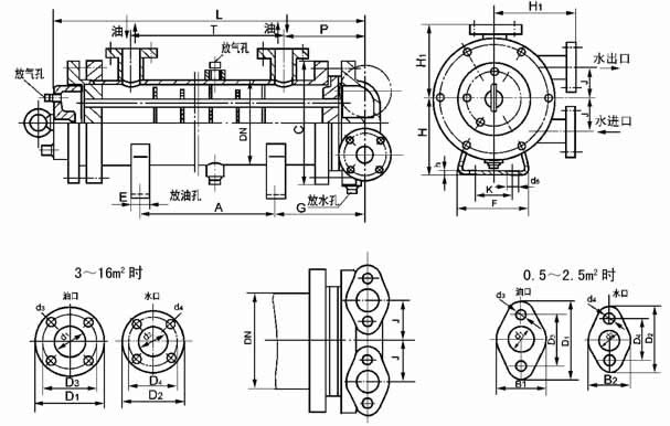
| 四、外形结构及尺寸 |
2LQFW 型冷却器外形尺寸图 |
|
冷却面积0.5~2.5m2时进出水口型式;
3~16m2时为上图
|
| |
2LQFW 型冷却器外形尺寸 |
型号 |
A0.5F |
A0.65F |
A0.8F |
A1.0F |
A1.2F |
A1.46F |
A1.7F |
A2.1F |
A2.5F |
A3.0F |
A3.6F |
A4.3F |
A5.0F |
A6.0F |
A7.2F |
A8.5F |
A10F |
A12F |
A14F |
A16F |
换热面积m2 |
0.5 |
0.65 |
0.8 |
1.0 |
1.2 |
1.46 |
1.7 |
2.1 |
2.5 |
3.0 |
3.6 |
4.3 |
5.0 |
6.0 |
7.2 |
8.5 |
10 |
12 |
14 |
16 |
底
部
尺
寸 |
A
K
h
E
F
d5 |
345
90
5
40
140
11 |
470
90
5
40
140
11 |
595
90
5
40
140
11 |
440
104
5
45
160
11 |
565
104
5
45
160
14 |
690
104
5
45
160
14 |
460
120
5
50
180
14 |
610
120
5
50
180
14 |
760
120
5
50
180
14 |
540
140
5
55
210
14 |
665
140
5
55
210
14 |
815
140
5
55
210
14 |
540
170
5
60
250
14 |
690
170
5
60
250
14 |
865
170
5
60
250
14 |
575
230
6
65
320
18 |
700
230
6
65
320
18 |
875
230
6
65
320
18 |
875
230
5
65
320
18 |
875
230
5
65
320
18 |
筒
部
尺
寸 |
DN
H
J
H1 |
114
115
42
95 |
114
115
42
95 |
114
115
42
95 |
150
140
47
115 |
150
140
47
115 |
150
140
47
115
|
186
165
52
140 |
186
165
52
140 |
186
165
52
140 |
219
200
85
200 |
219
200
85
200 |
219
200
85
200 |
245
240
95
240 |
245
240
95
240 |
245
240
95
240 |
325
280
105
280 |
325
280
105
280 |
325
280
105
280 |
325
280
105
280 |
325
280
105
280 |
L
G
P
T
C |
545
100
93
357
186
|
670
100
96
482
186 |
790
100
93
607
186 |
680
115
105
460
220 |
805
115
105
585
220 |
930
115
105
710
220 |
740
140
120
500
270 |
890
140
120
650
270 |
1040
140
120
800
270 |
870
175
170
565
308 |
995
175
170
690
308 |
1145
175
170
840
308 |
920
205
190
570
340 |
1070
205
190
720
340 |
1245
205
190
895
340 |
1000
220
210
590
406 |
1125
220
210
715
406 |
1300
220
210
890
406 |
1300
220
210
890
406 |
1547
220
210
890
406 |
法兰尺寸 |
椭圆法兰 |
圆形法兰 |
法兰连接 |
油 |
d1
D1
B1
D3
d3 |
25
90
64
65
11 |
25
90
64
65
11 |
25
90
64
65
11 |
32
100
72
75
11 |
32
100
72
75
11 |
32
100
72
75
11 |
40
118
85
90
14 |
40
118
85
90
14 |
40
118
85
90
14 |
50
160
/
125
18 |
50
160
/
125
18 |
50
160
/
125
18 |
65
180
/
145
18 |
65
180
/
145
18 |
65
180
/
145
18 |
80
195
/
160
8×Φ18 |
80
195
/
160
8×Φ18 |
80
195
/
160
8×Φ18 |
80
195
/
160
8×Φ18 |
80
195
/
160
8×Φ18 |
水 |
d2
D2
B2
D4
d4 |
20
80
45
55
11 |
20
80
45
55
11 |
20
80
45
55
11 |
25
90
64
65
11 |
25
90
64
65
11 |
25
90
64
65
11 |
32
100
72
75
11 |
32
100
72
75
11 |
32
100
72
75
11 |
40
145
/
110
18 |
40
145
/
110
18 |
40
145
/
110
18 |
50
160
/
125
18 |
50
160
/
125
18 |
50
160
/
125
18 |
65
180
/
145
18 |
65
180
/
145
18 |
65
180
/
145
18 |
65
180
/
145
18 |
65
180
/
145
18 |
重量
kg |
30 |
33 |
36 |
47 |
51 |
54 |
60 |
70 |
76 |
110 |
119 |
130 |
145 |
161 |
176 |
215 |
231 |
250 |
260 |
270 |
|
|
| |
|
|
|